Bilge Water Oil Separator Filter

Bilge Filter Bilge Water Separator Skimoil Inc Skimoil

Bilge Filter Bilge Water Separator Skimoil Inc Skimoil

Oil Water Separators Working Principles Ship Service Systems

Oil Water Separators Working Principles Ship Service Systems

Oily Water Seperator Bilge Water Seperator Oil And Water Seperator Youtube

Oily Water Seperator Bilge Water Seperator Oil And Water Seperator Youtube

Oily Water Separator Or Bilge Oil Separator

Oily Water Separator Or Bilge Oil Separator

Bilge Filter Bilge Water Separator Skimoil Inc Skimoil

Bilge Filter Bilge Water Separator Skimoil Inc Skimoil

Vetus Bilge Water Oil Separator Filter

Vetus Bilge Water Oil Separator Filter

Vetus Bilge Water Oil Separator Filter

Brute bilge separators use an organoclay filter media which will hold up to an amazing 50 of its weight in oils.

Bilge water oil separator filter.

This vetus separator collects and retains oil and grease from the bilge water. The bilge filter tbf is simple flow thru filter system that works with any bilge pump and removes oils from your bilge water. The bilge filter tbf is simple flow thru filter system that works with any bilge pump and removes oils from your bilge water. Hence marpol stipulates that the engine room bilges must only be pumped out through suitable oil water processing equipment bilge oil separator or retained for discharge ashore.

The filter element is replaceable and has a capacity of 320 grams which is the average quantity of oil in 8 000 litres of bilge water. Filter assembly and replacement elements are designed to filter oils out of bilge water. The bilge filter system uses the same filter media that we use on the brute b uscg abs bv certified oily water separators. After installation i turned it on and within an hour and a half the sheen was gone and i could see the bottom of the bilge.

Two stage oily water separator a complete oily water separator and filter unit for 15 ppm parts per million purity is shown in the figure above. The filter element is replaceable and has a capacity of 0 7 pounds which is the average quantity of oil in 211 gallons of bilge water. Excellent product and service it was good to do business with. Vetus separator collects and retains oil and grease from the bilge water before it is passed back out to sea.

Our products are supplied worldwide through a network of focused distributors which is expanding all the time. Installation was simple and easy to do. It has maintained the bilge since. Because bilgewater cannot be directly pumped out into the sea it is first passed through an oily water separator where the level of suspended oil particles in the mixture is significantly brought down.

All of these bilge separators are treatment systems that combine a gravity oil water separator ows or centrifuge with one or more additional unit. Rugged construction of the oil water separator and its lack of moving parts make maintenance minimal. Based in the uk wave international designs and manufactures a complete range of marine systems such as bilge filters and grey water systems to suit a variety of leisure and commercial applications. Prior to installing the bilge licker i had a pretty thick sheen of oil in my bilge.

For this reason bilge wells are periodically emptied by pumping out the bilge with the help of bilge pumps. Coast guard to meet the marpol 15 ppm oil discharge standard.

Simplex Turbulo Spares For Medium Speed Diesel Engines

Simplex Turbulo Spares For Medium Speed Diesel Engines

Oily Water Separators Dvz Services Syke

Oily Water Separators Dvz Services Syke

What Is The Basic Working Principle Of An Oily Water Separator On Ships Quora

What Is The Basic Working Principle Of An Oily Water Separator On Ships Quora

Centek Bilgekleen Revolutionary Filters West Marine

Centek Bilgekleen Revolutionary Filters West Marine

Oil Water Separator Filter The Ultimate Guide Filson Filter

Oil Water Separator Filter The Ultimate Guide Filson Filter

Bilge Water Separator Bilge Filter Separator Systems Separator Systems

Bilge Water Separator Bilge Filter Separator Systems Separator Systems

Boots Filter Filters For Boat Bilge Water And Draining Pump

Boots Filter Filters For Boat Bilge Water And Draining Pump

Catalog Oil Water Separators

Catalog Oil Water Separators

China Marine 15ppm Bilge Oily Water Separator Bilge Water Separator Filter China Oil Water Separator Marine Bilge Water Separator

China Marine 15ppm Bilge Oily Water Separator Bilge Water Separator Filter China Oil Water Separator Marine Bilge Water Separator

10 Oily Water Separator Ows Maintenance Tips Every Ship Engineer Must Know

10 Oily Water Separator Ows Maintenance Tips Every Ship Engineer Must Know

Bilge Treatment Systems Megator

Bilge Treatment Systems Megator

Admiral Sigma Oily Water Separators

Admiral Sigma Oily Water Separators

Oil Water Seperators

Oil Water Seperators

Ship Separator Eb 1 0 Ocean Clean Oil Water Vertical Bilge Water

Ship Separator Eb 1 0 Ocean Clean Oil Water Vertical Bilge Water

China Marine Oil Water Separator Bilge Water Generator Supplier China Oil Water Separator Bilge Water Separator

China Marine Oil Water Separator Bilge Water Generator Supplier China Oil Water Separator Bilge Water Separator

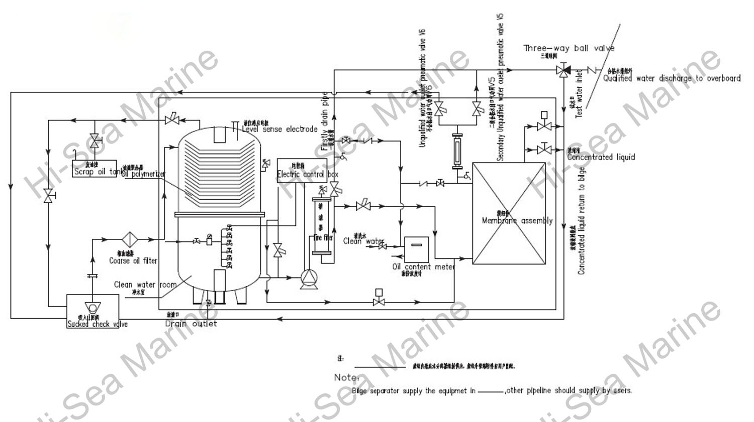
Oil Water Separator Manufacturer Supplier China Marine Oil Water Separator Manufacturer Hi Sea Marine

Oil Water Separator Manufacturer Supplier China Marine Oil Water Separator Manufacturer Hi Sea Marine

Oil Water Separators For Wastewater Treatment Ecologix Systems

Oil Water Separators For Wastewater Treatment Ecologix Systems

3 00m3 H Marine Bilge Water Separator Supplier China Marine Oil Water Separator Manufacturer Hi Sea Marine

3 00m3 H Marine Bilge Water Separator Supplier China Marine Oil Water Separator Manufacturer Hi Sea Marine

Https Encrypted Tbn0 Gstatic Com Images Q Tbn 3aand9gcrf3j 0lglyvczg2pjf9ec0qr0t4wuolyephoe1hcrsjulmbucd Usqp Cau

Https Encrypted Tbn0 Gstatic Com Images Q Tbn 3aand9gcrf3j 0lglyvczg2pjf9ec0qr0t4wuolyephoe1hcrsjulmbucd Usqp Cau

How To Operate An Oily Water Separator Ows On Ship

How To Operate An Oily Water Separator Ows On Ship

Gravity Separator Cps 10b Mkiii Emb Facet International Oil Water For The Petroleum Industry

Gravity Separator Cps 10b Mkiii Emb Facet International Oil Water For The Petroleum Industry

As Per Marpol Annex I How Oil Filtering Equipment Are Used On Board Ships To Control The Discharge Of Bilge Oil Marine Engineers Knowledge

As Per Marpol Annex I How Oil Filtering Equipment Are Used On Board Ships To Control The Discharge Of Bilge Oil Marine Engineers Knowledge

Ship Separator Poseidon Evo Environmental Protection Engineering S A Oil Water Vertical Bilge Water

Ship Separator Poseidon Evo Environmental Protection Engineering S A Oil Water Vertical Bilge Water

Around The World Operating Procedures Bilge Separator Machine Ush 20 Of The Company Taiko Kikai

Around The World Operating Procedures Bilge Separator Machine Ush 20 Of The Company Taiko Kikai

Source : pinterest.com